Ringmoeren, verzinkt
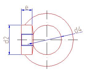
| Artikel-Nr. | Maat | d2 mm | e mm | d4 mm | Stuk/doos |
|---|---|---|---|---|---|
| Artikel-Nr. | Maat | d2 mm | e mm | d4 mm | Stuk/doos |
| RMG-M6 | M6 | 17,0 | 9,0 | 16,0 | 100 |
| RMG-M8 | M8 | 20,0 | 8,5 | 20,0 | 100 |
| RMG-M10 | M10 | 25,0 | 10,0 | 25,0 | 100 |
| RMG-M12 | M12 | 30,0 | 11,0 | 30,0 | 100 |
| RMG-M16 | M16 | 35,0 | 13,0 | 35,0 | 50 |
| RMG-M20 | M20 | 40,0 | 16,0 | 40,0 | 50 |
| RMG-M24 | M24 | 50,0 | 20,0 | 50,0 | 50 |
| RMG-M30 | M30 | 65,0 | 25,0 | 60,0 | 50 |


