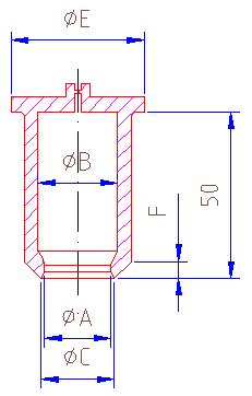
Afdekkap met binnenrand

Hittebestendig tot 315°C
Opzetten en afnemen van de kap gaat
eenvoudig door de aangebrachte rand
Er ontstaat geen vacuüm
Door het verwijderen van de verhoging op
de grip ontstaat er een ontluchtingsfunctie.
Het einde van de kap loopt schuin af.
Lengte 50 mm
| Artikel-Nr. | A mm | B mm | C mm | E mm | F mm | Kleur | Stuk/doos |
|---|---|---|---|---|---|---|---|
| Artikel-Nr. | A mm | B mm | C mm | E mm | F mm | Kleur | Stuk/doos |
| SKIL-M4x50 | 3,30 | 4,70 | 3,80 | 14,00 | 2,50 | wit | 250 |
| SKIL-M5x50 | 4,10 | 5,50 | 4,60 | 14,50 | 2,50 | groen | 250 |
| SKIL-M6x50 | 5,30 | 6,60 | 5,70 | 15,50 | 2,50 | blauw | 250 |
| SKIL-M8x50 | 6,70 | 8,40 | 7,50 | 17,50 | 2,50 | geel | 250 |
| SKIL-M10x50 | 8,90 | 10,50 | 9,60 | 19,50 | 2,50 | roodbruin | 250 |
| SKIL-M12x50 | 10,00 | 11,60 | 10,70 | 18,60 | 2,50 | rood | 250 |


